Features:
- 2 Shoot Bolts
- Gear operated – 2 complete rotations of the key or thumb turn simultaneously engage both Shoot Bolts
- European Profile Cylinder operated, lever is ABOVE the cylinder
- Mounted behind astragal to allow top and bottom deadbolts for Active Mechanism (#1089) to lock into astragal, and the main deadbolt to lock INTO the inactive mechanism THRU the astragal (See ‘Dimension Drawing’ tab)
- Brass extrusion available in Satin Brass only (hidden behind astragal)
- Shoot Bolts are part of main extrusion, no need to attach them
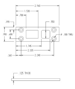
- 85 mm spacing between cylinder and lever
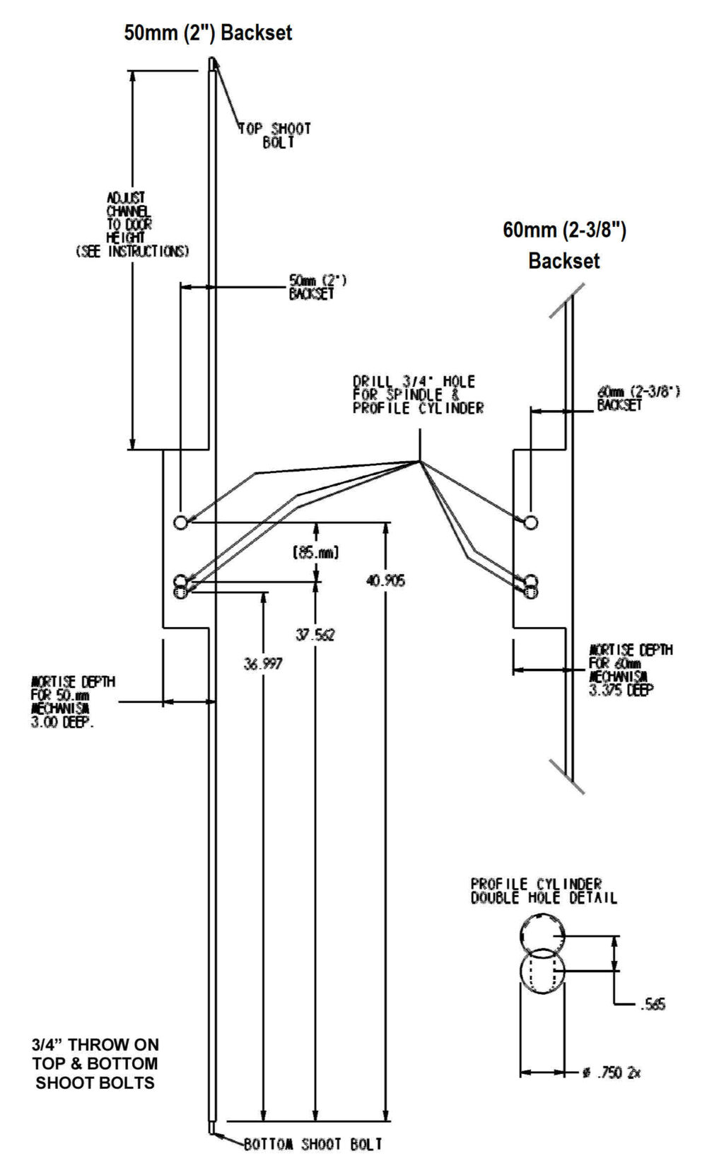
- Handle Height of 40.905″
- Backsets:
- 50 mm (2″)
- 60 mm (2-3/8″)
- Stock height is 102″ tall:
- For shorter doors, extrusion can be cut/adjusted down to 79″ tall
- For taller doors, simply add extensions (see Dimension Drawings tab)
- Modern and Traditional trim options available (see Compatible Plates / Rosettes tab)
- Pair with our #1089 5-Point Gear Driven Multi Point Mortise Mechanism
Description
Part Numbers: (see ‘Parts List’ tab)
Our #1092 2-Point Gear Driven Inactive Mortise Mechanism offers peace of mind that multi point security brings, with 2 Shoot Bolts that secure your inactive door in a double door unit. This lock is engineered for smooth operation, with gear operation securing both Shoot Bolts simultaneously.
- Top & Bottom Shoot Bolts Only (for the Inactive Door of a Double Door System)
- Gear operated – 2 complete rotations of the key or thumb turn simultaneously engage both Shoot Bolt locking points
- European Re-Keyable Schlage 5 Pin Profile Cylinder operated
- Lever is ABOVE the cylinder
- Mount behind astragal on inactive door for top and bottom shoot bolts to lock inactive door into place.
- Strikes for the Active Mechanism (#1089) are mortised into the astragal, and the top and bottom deadbolts lock INTO and THRU the inactive door astragal (See ‘Dimension Drawing’ tab)
- Solid Brass channel on door edge available in Satin Brass only (hidden behind astragal)
- Shoot Bolts are integrated into solid brass channel on door edge, so there’s no need to attach them
- 85 mm spacing between cylinder and lever
- Handle Height of 40.905″
- Backsets:
- 50 mm (2″)
- 60 mm (2-3/8″)
- Stock height is 102″ tall:
- For shorter doors, extrusion can be cut/adjusted down to 79″ tall
- For taller doors, simply add extensions (23-7/16″ per extension; see Dimension Drawings tab)
- Modern and Traditional trim options available (see Compatible Plates / Rosettes tab)
***Pair with our #1089 5-Point Gear Driven Multi Point Mortise Mechanism***
Part Numbers:
- Mechanism (Includes both Shoot Bolts; 102″ tall with no extensions; all strikes and mounting screws included)
- Part # 1092-Backset
- 50 mm or 60 mm Backset available
- Part # 1092-Backset
- Shoot Bolt Strikes (not sold separately; all are included with the mechanism):
- Dustproof Strike:
- Part # 3014
- Corner Strike:
- Part #71-S
- Double Strike:
- Part #72-S
- Dustproof Strike:
- Extension:
- Part # 90-3









































